Check Chart Common Specs Metric All BRIGGS & STRATTON Engines

Briggs And Stratton Engine Dimensions. Briggs & Stratton 1450 Series Horizontal OHV Engine — 306cc, 3/4in. x 2 In order to assist you with locating a replacement engine and short block, include as many engine specifications as you can: If replacing a Briggs & Stratton manufactured engine, provide the engine's complete, STAMPED Engine Model, Type, and Code numbers The Briggs and Stratton 254707 is a 399 cc (24.3 cu·in) single-cylinder, air-cooled, four-stroke cycle, internal combustion gasoline engine, manufactured by Briggs and Stratton.

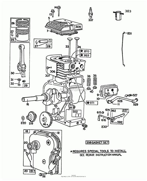
Briggs & Stratton Engine Specifications
Briggs & Stratton Engine Specifications from biobrofaep6fixmachine.z13.web.core.windows.net

If not a Briggs & Stratton manufactured engine, please provide the engine brand, power rating, and model number In order to assist you with locating a replacement engine and short block, include as many engine specifications as you can: If replacing a Briggs & Stratton manufactured engine, provide the engine's complete, STAMPED Engine Model, Type, and Code numbers

Briggs & Stratton Engine Specifications

If not a Briggs & Stratton manufactured engine, provide the engine brand, power rating. Find your engine specifications for your vertical shaft models here: Model Series 9P700 - 5.50 Gross Torque/140cc; Model Series 10T800 - 5.50 Gross Torque/158cc; ** Top Governed Speed: See B&S Service Engine Sales Manual MS-4052 STANDARD AND REJECT DIMENSIONS - ALL MODELS DESCRIPTION STD

Briggs & Stratton Engine 33R8770003G1 19 hp 540cc Intek. This engine is equipped with flo-jet (fixed orifice main jet with adjustable idle jet) carburetor, an transistor. The Briggs and Stratton 31P777 is a 501 cc (30.6 cu·in) single-cylinder air-cooled four-stroke internal combustion gasoline engine, manufactured by Briggs and Stratton.

Briggs & Stratton Engine 5 HP. common specifications for intek v-twin ohv engines model series bore stroke displacement 405777…………..2.970" (75.44mm)…… 2.890" (73.40mm)…. The B&S 31P777 engine has an OHV (overhead) design and a vertical PTO shaft