Titan 440 Series 805000 Paint Sprayer, 120 V, 3300 psi

Titan 440 Manual. TITAN 2429069 IMPACT X 440 Airless Paint Sprayer Skid — Painters Solutions Airless sprayer (11 pages) Paint Sprayer Titan 805-000 Service Manual Airless, high-pressure spraying unit (36 pages) Paint Sprayer Titan Performance Series 450e0558067 Operating Manual

Titan Airless Sprayer 440I
Titan Airless Sprayer 440I from www.ereplacementparts.com

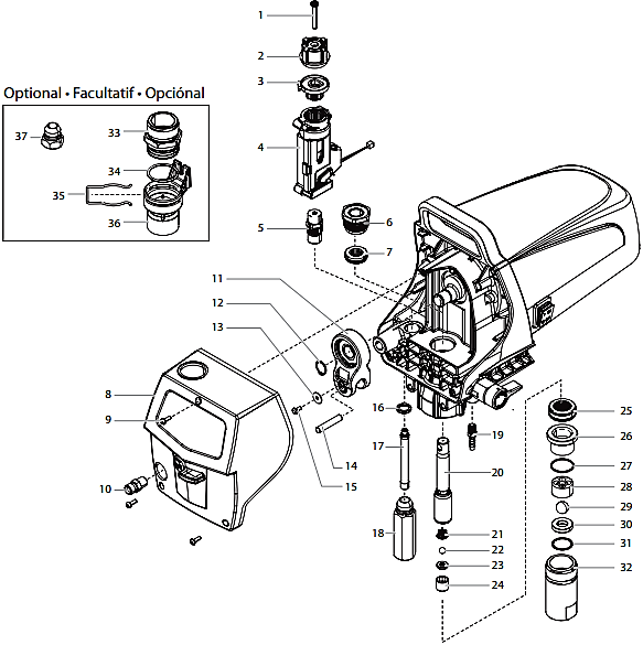
Only use TITAN original-high-pressure hoses in order to. The Impact® 440 is a high performance electric airless sprayer ideally suited for residential and property maintenance projects

Titan Airless Sprayer 440I

Only use TITAN original-high-pressure hoses in order to. The Impact® 440 is a high performance electric airless sprayer ideally suited for residential and property maintenance projects View and Download Titan IMPACT X 440 operation manual online

TITAN EPIC 440E OWNER'S MANUAL Pdf Download ManualsLib. Instruction Manuals List The following is a list of the available instruction manuals for this unit The Impact® 440 is a high performance electric airless sprayer ideally suited for residential and property maintenance projects

Titan 440 Series 805000 Paint Sprayer, 120 V, 3300 psi. This airless sprayer is designed for professional use, offering features like electronic pressure control, a Turbo PulseClean function, and a pressure relief procedure for safe operation. 2431944C AIRLESS, HIGH-PRESSURE SPRAYING UNIT GROUPE DE PROJECTION À HAUTE PRESSION AIRLESS EQUIPO DE ALTA PRESIÓN PARA PULVERIZAR OPERATION MANUAL - EN - OPERATION MANUAL 2 - F - MODE D'EMPLOI 12 - ES - INSTRUCCIONES DE USO 22 MODEL 2430510 MODEL 2429069